Dear SimScalers,
in this weeks spotlight we will have a look at the so called “Ahmed Body”.
The Ahmed body is a generic car body (a simplified vehicle model). The airflow around the Ahmed body captures the essential flow features around an automobile and was first defined and characterized in the experimental work of Ahmed [1]. Although it has a very simple shape, Ahmed body allows us to capture characteristic features that are relevant to bodies in the automobile industry.
This model is also used to describe the turbulent flow field around a car-like geometry. Once the numerical model in validated, it is used to design new models of the car.
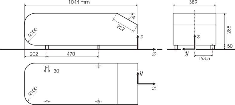
Geometry:
Mesh:
The geometry was uploaded and meshed using the snappyHexMesh tool with a y+ of 30. The resulting mesh consists of 3,350,000 cells and is shown in the figure below.
Results:
Drag Coefficient:
The drag coefficient of the Ahmed body was computed to be 0.280, which is within a 2% error margin of the measured value of 0.283.
Velocity Profiles:
Variation of velocity with height was compared with reference data on the symmetry plane at different lengths into the wind tunnel. These comparisons are shown in the figures below, with the simulation results in blue and reference data in red.
Complete study of the Ahmed Body: Aerodynamics: Flow around the Ahmed Body
SimScale project:
To look at the simulation setup, please have a look at the project from @sjoshi:
Aerodynamics: Flow around the Ahmed Body
To copy this project into your workspace, simply follow the instruction given in the picture below.

References:
Paper - Numerical modeling of airflow over the Ahmed body:
Flow Around a Simplified Car Body (Ahmed Body):
[Experiments by H. Lienhart, S. Becker, C. Stoots]
[1] S.R. Ahmed, G. Ramm, Some Salient Features of the Time-Averaged Ground Vehicle Wake, SAE-Paper 840300, 1984








