AhmedBody CFD Analysis for Drag Validation

Hello
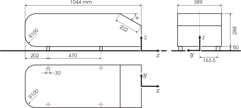
I was trying to simulate the flow of air over the generic Ahmed Body and validating with the experimental data for the same Reynolds number (2.8 mil). For a element count of approx. 3.5 mil, the drag coefficient is around 0.49, however the experimental data shows a drag coefficient of around 0.29. This seemed to be a large difference for a 3.5 million mesh. I am using the k-w SST model as the turbulence model. Can anyone give me some advice on what I may be doing wrong?

Thanks!

Hello akarshshtt8,

thanks for reaching out to us here in the forum.

Can you please share a link to your project here in the forum, so that we can have a look at it?

Also, you might have a look at the validation case of the Ahmed body here:

It showed that a good correlation between the Ahmed body and the experimental results did not occur below 10 Million cells.

Best regards
Sebastian

1 Like

Hi Sebastian

I am trying to simulate this case on the STARCCM+ software and I was also happening to use the study which you have referred to above as the verification case for my study. Except for the mesh count all the other settings are the same for the simulation that I’m doing. My doubt is will it cause such a major difference in the drag value or am I missing out something important?

Hello akarshshtt8,

for a correct drag calcluaation a good mesh is required.
As I don’t know your Setup in Star-CCM+ these would be a few things I would take a look at.

  1. CAD, please ensure that your CAD is identical to the reference case.

  2. Mehs finnes, check the resolution of the mesh on the surface and the wake region. It shows that for a good study a varly high resolution mesh is required.

  3. Number of Prism Layers and Prism Layer height. Please check your Y+ Value, and ensure that it’S fitting to your turbulence model. In our case we used a Y+ < 1 for a k-w SST turbulence Model.

Once all this is done you should be able to get very similar results.

Best regards
Sebastian

I’m quite sure about 1, I will recheck again on points 2 and 3 to ensure consistency of simulation setup so that results approach same
Thanks

Dear @akarshshtt8, if you still have issues, please share the public project, as there are many things that could be looked at. Just to start, the number of elements is not as important as the way they are distributed in the domain.

Sorry for the late response. I realise this is a late reply, nonetheless, I have managed to generate a mesh with around 1.5 million cells and was able to achieve a drag coefficient value of 0.3002. This seems to confirm the fact that there are other parameters to be considered (one of which, as you mentioned was how the elements are distributed rather than the total number of elements in the domain). I however got Y+ values mostly between 20-30 although the First cell height in the prism layer was inputted based on a expected Y+ value of 40 ( based on Flat plate BL theory). I assume because there are pressure gradients arising in the flow, the values of Y+ values are different? . What can be modified to expect a correct value of Y+?

Hello akarshshtt8,

Changing the Y+ Value is mainly related to the cell height of the wall adjacent cell.

For a high Y+ mesh (Y+ > 40)
You can either increase the height of your first layer, by coarsening or reducing the number of boundary layers.

For a low Y+ Mesh (Y+ <3)
You can increase the amount of Boundary layers or create a more finer Mesh.

Usually, it is easier to create a good low Y+ Mesh, because you can just up the layer count, or mesh fineness. However, this will lead to a larger overall cell count and higher simulation runtime/cost.

A High Y+ Mesh might be lower in cell count, but since the cells are larger you might lose geometry accuracy, especially if bodies have small fillest or surfaces with a strong curvature.

Best regards
Sebastian

1 Like